九寨沟悬挂式永磁除铁器参数,随着社会的发展也越来越广泛的应用,但正是因为使用越来越多的铁,所以人们不明白如何选择悬挂式永磁除铁器.所以,无论使用任何机器除铁,我们必须足够了解它.

悬挂式永磁除铁器是一种产生强磁场吸引力的装置,可去除非磁性材料中混合的摩擦杂质,以确保输送机系统中的破碎机安全,并与机械设备正常工作并有效防止输送机的大铁片皮带输送机意外发生.输送机为行业除铁运输外,可实现连续吸力.废铁.悬挂式永磁除铁器广泛应用于冶金.矿.制煤厂.食品和饲料加工业在新兴废物处理行业也需要从废钢铁中除铁.
一.悬挂式永磁除铁器的特点
一.悬挂式永磁除铁器的特点
1.磁性或磁化介质表面光滑清洁,清洁泥浆后无表面.
2.节能. 环保. 清洗过程中,清洗时间短,消耗清洗水少,环境污染少.
3.在除铁通道的设计中,必须将清洗后的污水从机器上完全排出,使得污水中的杂质不能在通道中沉淀,并且铁的去除效果受到影响.
4.自动化程度. 可自动确定清洗周期. 自动清洗. 污水自动处理是铁的发展趋势.
5.结构简单. 用于安装和使用. 清洁方便,设备结构易于安装拆卸,内部检查清洗

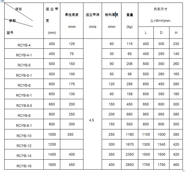
二.悬挂式永磁除铁器的参数

关注九寨沟悬挂式永磁除铁器参数的客户还关注阅读了矿山电磁除铁器图片
下一篇:悬挂式电磁除铁器矿用隔爆型上一篇:电磁除铁器控制柜的应用说明
此文关键字:[\w\W]*
同类文章排行
- 江苏电磁除铁器接线原理图
- 永磁除铁器的使用说明书及方法介绍
- 永磁带式除铁器标准(zui新)
- 电磁除铁器控制柜的应用说明
- 远力磁电为您做除铁器工作原理细节讲解
- 矿用悬挂式永磁除铁器是如何励磁的
- 输送带专用吸铁器自卸式水泥建材煤矿
- rcyd-6永磁自卸式除铁器 建筑垃圾吸铁石
- 除铁器厂家只有不断产品升级技术进步才能永葆活力
- 输送带生物砖厂除超强吸铁器强磁磁铁吸铁石环保从我做起
- 九寨沟悬挂式永磁除铁器参数
- 电磁除铁器必须要有铁心吗?
- RCYC-500自卸式永磁除铁器需要不断完善方能完美
- 山东悬挂式除铁器型号-我们如何根据型号选厂家
- 永磁除铁器厂家想要发展必须保持一颗恒心
- 优质永磁除铁器设备需要具备哪些条件,如何选择到好的除铁
- 锯末颗粒永磁除铁器 皮带输送机悬挂除铁器
- RCYB悬挂式永磁除铁器还可以叫什么名字,一般俗称
- 悬挂式永磁除铁器的型号使用新规则介绍
- 悬挂式电磁除铁器结构
最新资讯文章
- 矿用悬挂式永磁除铁器是如何励磁的
- 悬挂式电磁除铁器结构
- 管道式除铁器输送带为什么不转(附详解)
- 永磁自卸式除铁器磁感应强度如何测量
- 永磁带式除铁器标准(zui新)
- 永磁除铁器有几个磁极
- 永磁除铁器岗位责任制
- 永磁除铁器磁场强度一般为多少
- 远力磁电永磁带式除铁器安装尺寸
- 永磁除铁器厂家想要发展必须保持一颗恒心
- 永磁除铁器的使用说明书及方法介绍
- 贵州自卸式永磁除铁器
- 永磁除铁器在使用过程中的五大要点帮您更好安全生产
- 永磁除铁器主要有哪几种材质
- 江苏电磁除铁器接线原理图
- 电磁除铁器必须要有铁心吗?
- 东城区电磁除铁器坏了如何维修
- 远力磁电为您做除铁器工作原理细节讲解
- 除铁器选用,电磁除铁机价格都是受哪些因素决定的
- 山东悬挂式除铁器型号-我们如何根据型号选厂家



