板式永磁除铁器-实用新型除铁器,板式永磁除铁器是远力磁电生产的一种新型除铁器,由粉状物料和液态物料形成的浆料流动混合物中除铁的装置,由永磁框架和平板框架组成.
1.永磁框架底板配有每排不少于2排,不少于2排的永磁体,一端为平面框架用于进料口,另一端为排料口,从进料口处在挡板处,平面框架处废铁不会直接与磁体接触,使得磁体可以?;ご盘宀⒈阌诜狭系囊瞥?使得废铁和磁体不直接接触在整个工作过程中彼此.
2.永磁板式除铁器是一个强大的磁场,可以产生一个有吸引力的设备,可以通过混合铁磁性杂质的材料,以确保输送系统,破碎机,磨床和其他机械和设备的安全操作,并可以有效防止大和长铁转移输送带规划事故,也显着提高了原材料的质量.它们可以分为手动卸铁卸铁,铁和铁等自动放电过程控制工作,由于使用不同场合和磁路结构,形成了多种系列.
3.永磁除铁器广泛应用冶
金,采矿,煤炭制备厂,发电厂,陶瓷,玻璃,水泥,建筑材料,化工,食品和饲料加工等行业,并且在新兴废物处理行业也需要钢铁回收废物分离.除铁器可用于所有主要钢铁企业,以及金属矿山,电厂,轻工业,耐火材料等行业,并发挥了巨大的作用.除了铁用于输送各种工业除了铁,使连续吸力,废铁.
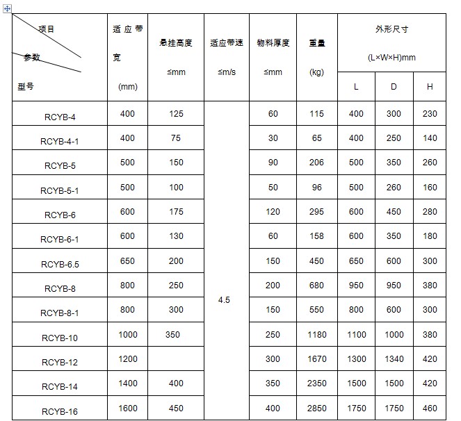
4.板式永磁除铁器参数

关注板式永磁除铁器-实用新型除铁器的客户还关注阅读了电磁自卸式除铁器的维修保养是要到位

一.板式永磁除铁器磁系设计
1.永磁框架底板配有每排不少于2排,不少于2排的永磁体,一端为平面框架用于进料口,另一端为排料口,从进料口处在挡板处,平面框架处废铁不会直接与磁体接触,使得磁体可以?;ご盘宀⒈阌诜狭系囊瞥?使得废铁和磁体不直接接触在整个工作过程中彼此.
2.永磁板式除铁器是一个强大的磁场,可以产生一个有吸引力的设备,可以通过混合铁磁性杂质的材料,以确保输送系统,破碎机,磨床和其他机械和设备的安全操作,并可以有效防止大和长铁转移输送带规划事故,也显着提高了原材料的质量.它们可以分为手动卸铁卸铁,铁和铁等自动放电过程控制工作,由于使用不同场合和磁路结构,形成了多种系列.

金,采矿,煤炭制备厂,发电厂,陶瓷,玻璃,水泥,建筑材料,化工,食品和饲料加工等行业,并且在新兴废物处理行业也需要钢铁回收废物分离.除铁器可用于所有主要钢铁企业,以及金属矿山,电厂,轻工业,耐火材料等行业,并发挥了巨大的作用.除了铁用于输送各种工业除了铁,使连续吸力,废铁.
4.板式永磁除铁器参数

关注板式永磁除铁器-实用新型除铁器的客户还关注阅读了电磁自卸式除铁器的维修保养是要到位
下一篇:轻型永磁带式除铁器小身体解决大问题上一篇:除铁器厂家积极心态带来的成功
此文关键字:[\w\W]*
同类文章排行
- 电磁除铁器与永磁除铁器在工作时原理有什么不同之处
- 山东强磁除铁器厂家哪家好
- 除铁器皮带调边原理
- 悬挂式永磁除铁器在工业生产中更需专业化
- 油冷电磁除铁器定做效果更出众
- 电磁除铁器厂家承接维修保养
- 自动吸铁工具铁屑清理工具废铁拾铁器
- 强磁除铁器内部构造
- 砖瓦厂用的吊挂式除铁器使用效果一直杠杠滴
- 电磁除铁器的接线图纸及图片
- 选择好的除铁器,厂家是关键
- 板式永磁除铁器-实用新型除铁器
- RCYD-6.5,皮带650永磁自卸式除铁器与皮带机配合使用效果更好
- 值得拥有的强磁除铁器设备
- 购买强磁除铁器时我们需注意哪些事项?
- 铁屑清除器-强磁除铁器
- 永磁自卸式除铁器电机好坏我们如何检查
- 永磁悬挂式除铁器rcyb-6.5在砖厂使用效果好
- 强磁除铁器比电磁除铁器的功能更强大在哪
- 除铁器出现故障了如何快速解决
最新资讯文章
- 除铁器工作一段时间失嗞是什么原因
- 除铁器皮带调边原理
- 永磁自卸式除铁器皮带间歇运转更能降低电耗
- 除铁器在工业,农业和医学领域中的重要应用
- 悬挂式永磁除铁器在工业生产中更需专业化
- 从除铁器价格行情走势中发现当下市场现有的商机
- 除铁器出现故障了如何快速解决
- 超强电磁除铁器为什么深得大家厚爱
- 砖瓦厂用的吊挂式除铁器使用效果一直杠杠滴
- 强磁除铁器比电磁除铁器的功能更强大在哪
- 永磁自卸式除铁器电机好坏我们如何检查
- 永磁电磁自卸式除铁器皮带客户如何自行更换
- 盘式电磁除铁器都有哪些结构及特点需要注意的事项
- 值得拥有的强磁除铁器设备
- 永磁除铁器RCYD-5-自卸式永磁除铁器RCYD-5
- 皮带全自动除铁器材料采用钕铁硼磁性更强
- RCYD-6.5,皮带650永磁自卸式除铁器与皮带机配合使用效果更好
- 选择好的除铁器会使我们的工作效率加倍袄!
- 电磁除铁器与永磁除铁器在工作时原理有什么不同之处
- 油冷电磁除铁器定做效果更出众



